menu

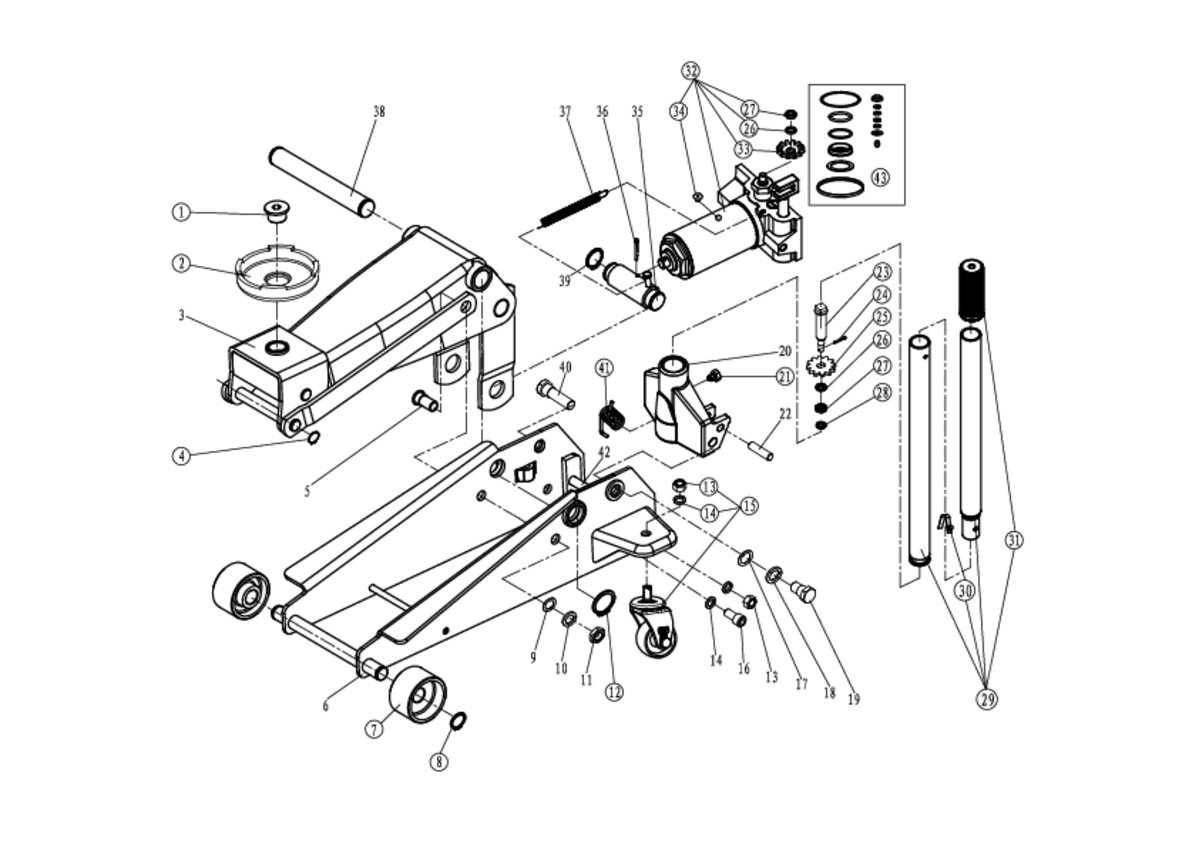
Cric hydraulique 3 tonnes

Réf :
71497
Marque non renseignée
partager l'article
Cric hydraulique 3T.
Hauteur minimale : 130 mm.
Hauteur maximale : 465 mm.
Fonction de levage rapide et de ralentissement.
Poids : 28,9 kg.
Afficher le numéro 02 38 31 61 10
Produits suggérés

Nos Marques

arland
cosnet
desvoys
einbock
fella
gregoireEtBessonAgricole
howard
jeantil
jourdain
kongskilde
manip
monosem
quivogne
rabaud
sulky
tanco
tatoma
trimble
welger
breviglieri
carre
ferri
lenormand
ponge
silofarmer
alpego
skyAgriculture
thievin
aigle
algi
bahco
banner
bkt
bosch
dimaco
forgesGorce
fulmen
grangeEtWalter
karcher
laBuvette
loctite
makita
minerva
tipTop
total
vredestein
walterscheid
flexovit
kingTony
laGee
lacme
lemaitre
milwaukee
patura
uPower
aspen
briggsStratton
cubCadet
delMorino
dolmar
ferris
genelec
goldoni
honda
hytrack
iseki
kaaz
kioti
lider
linhai
mtd
oleoMac
orec
perkins
pubert
robomow
roquesEtLecoeur
snapper
stiga
etesia
imer
kersten
tigara
actisweep
agrimaster
agrator
agrimat
altec
altrad
apv
becchio
bonino
bugnot
checchiMagli
clavaud
dagnaud
delimbe
escudero
fao
feraboli
fissore
gil
gimbre
gl1
gourdon
jf
labbeRotiel
lerin
loiseau
mascar
mcConnel
moroPietro
morra
moynePicard
naud
orsi
pasdelouGalva
polymoule
rabe
rabewerk
robust
rocha
sip
sirot
sitrex
solano
souslikoff
stoll
tomix
uniforest
zagroda
bionalan
amr
bahr
bednar
bobman
bonnel
campagnola
cosmo
dhugues
dynacountain
ermas
ero
euromasse
ferjuGourdin
ferrand
fliegl
heVa
kirogn
knikmops
lecitech
magsi
maschio
niubo
pauljet
poget
quitte
segimak
semas
sicma
silosfrance
solemat
tecnoma
thaler
tortella
toy
vogelsang
dragone
mandam
lagarde
calvetPulverisation
maitre
dynaContain
adiOriginal
bedouelleDistribution
brennenstuhl
bricodeal
buisard
cai
castolin
cemont
ceteor
cntt
crosscall
debArma
eluzia
eurocardan
faucheux
fauquet
gfd
goizin
goodyear
gouvy
gys
haemmerlin
hatzenbichler
hifiFilter
hydrokit
ids
intermed
kanair
kerbl
knipex
mage
manuli
matabi
mato
metanor
nobili
ponsa
prodif
renson
rico
schrader
symta
tama
trelleborg
unilopal
volgeur
wd40
wepump
zapi
lma
caravaggi
cochet
efco
eurosystems
gardenEquipements
ikra
kipor
kpc
magnum
majar
maruyama
masai
mova
oregon
ribas
ribimex
sarp
simplicity
solo
staub
texas
tgb
weibang

Cookies

En poursuivant votre navigation sur ce site, vous acceptez l’utilisation de cookies destinés à réaliser des statistiques de visite.

En savoir +
Accepter
Refuser
Personnaliser